【浮動式軟密封球閥產品概述】
球閥在石油、天然氣、煤炭和礦石的開采、提煉加工和管道輸送系統中;在化工產品、醫藥和食品生產種;在水電、火電和核電的電力生產系統中;在城市和工業企業的給排水、供熱、和供氣系統中;在農田的排灌系統中;在治金生產系統中得以廣泛的應用,是一種與生產建設、國防建設和人民生活息息相關的重要機械產品。球閥密閉在各類管路系統種用于截斷或接通介質流,使介質按照預定的程序輸送到各個指定點。
【浮動式軟密封球閥特點】
經過特殊工藝處理的球體與閥座,特別適用于較高溫度及含各種粉塵與固體顆粒的介質。
1、采用特別設計的補償性可動金屬閥座結構,密封可靠。
2、本系列球閥應按規定流向使用。
3、本系列球閥可配多種驅動裝置。
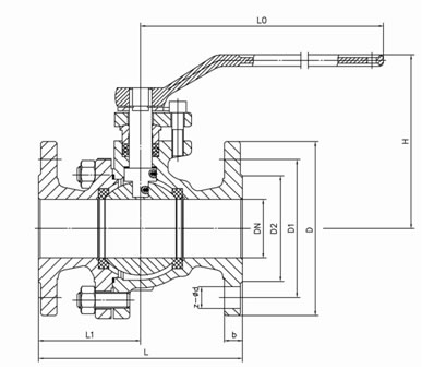
【浮動式軟密封球閥結構圖】


【浮動式軟密封球閥性能規范】
| 壓力等級 |
公稱壓力(PN) |
磅級(Class) |
| 1.6 |
2.5 |
4.0 |
6.4 |
10.0 |
150 |
300 |
400 |
600 |
試驗壓力
|
殼體試驗
|
2.4 |
3.75 |
6.0 |
9.6 |
15.0 |
3.03 |
7.5 |
10.2 |
15.0 |
密封試驗
|
1.76 |
2.75 |
4.4 |
7.04 |
11.0 |
2.2 |
5.5 |
7.48 |
11.0 |
| 適用工況 |
適用介質 |
紙漿、漿料、粉塵及含各種固體顆粒的介質 |
| 適用溫度 |
-196~≤550℃ |
適用規范
|
設計制造按 |
GB12237-89 |
API 6D |
JP17S-48 |
法蘭尺寸按
|
JB79-59、GB9113 、HG20592-07 |
ANSI B16.5 |
JIS B2212-2214 |
結構長度按
|
GB12221-89 |
ANSI B16.10 |
JIS B2002 |
檢驗試驗按
|
|
JB/T9092-99 |
API 598 |
【浮動式軟密封球閥主要零部件材料】
序號
|
零件名稱
|
材質 |
| GB |
ASTM |
| 1 |
閥體 |
WCB |
A216-WCB |
| 2 |
密封圈 |
柔性石墨
|
柔性石墨 graphite PTFE |
| 3 |
閥座 |
1Cr18Ni9Ti |
304 |
| 4 |
球體 |
2Cr13 |
A276-420 |
| 5 |
螺母 |
35 |
A194-2H |
| 6 |
螺柱 |
35CrMoA |
A193-B7 |
| 7 |
座墊 |
1Cr18Ni9Ti |
304 |
| 8 |
彈簧 |
60Si2Mn |
AISI 9260 |
| 9 |
墊片 |
柔性石墨+不銹鋼
|
B12.10-304/F.G |
| 10 |
填料 |
柔性石墨
|
柔性石墨 |
| 11 |
填料壓蓋 |
WCB |
A216-WCB |
| 12 |
擋圈 |
65Mn |
AISI 1066 |
| 13 |
閥桿 |
1Cr13 |
A276-410 |
| 14 |
螺釘 |
35 |
A193-B7 |
【浮動式軟密封球閥主要連接尺寸】
PN1.6MPa 主要連接尺寸及重量:
|
公稱通徑DN |
15 |
20 |
25 |
32 |
40 |
50 |
65 |
80 |
100 |
125 |
150 |
200 |
|
L |
130 |
140 |
150 |
165 |
180 |
200 |
220 |
250 |
280 |
320 |
360 |
400 |
|
H |
59 |
63 |
75 |
85 |
95 |
107 |
142 |
152 |
178 |
252 |
272 |
342 |
|
W |
130 |
130 |
160 |
180 |
230 |
230 |
400 |
400 |
650 |
1050 |
1050 |
1410 |
|
Wt(Kg) |
2.5 |
3 |
5 |
6 |
7 |
10 |
15 |
19 |
33 |
58 |
93 |
160 |
PN2.5MPa 主要連接尺寸及重量:
|
公稱通徑DN |
15 |
20 |
25 |
32 |
40 |
50 |
65 |
80 |
100 |
125 |
150 |
200 |
|
L |
130 |
140 |
150 |
165 |
180 |
200 |
220 |
250 |
320 |
400 |
400 |
550 |
|
H |
59 |
63 |
75 |
97 |
107 |
142 |
152 |
178 |
252 |
272 |
342 |
345 |
|
W |
130 |
130 |
160 |
230 |
230 |
400 |
400 |
700 |
1100 |
1100 |
1500 |
1500 |
|
Wt(Kg) |
2.5 |
3 |
5 |
6 |
7.5 |
10 |
15 |
20 |
33 |
60 |
93 |
175 |
PN4.0MPa 主要連接尺寸及重量:
|
公稱通徑DN |
15 |
20 |
25 |
32 |
40 |
50 |
65 |
80 |
100 |
125 |
150 |
200 |
|
L |
130 |
140 |
150 |
180 |
200 |
220 |
250 |
280 |
320 |
400 |
400 |
400 |
|
H |
59 |
63 |
75 |
85 |
95 |
107 |
142 |
152 |
178 |
252 |
272 |
342 |
|
W |
130 |
130 |
160 |
230 |
230 |
400 |
400 |
700 |
1100 |
1100 |
1500 |
1500 |
|
Wt(Kg) |
3 |
4 |
5 |
7 |
9 |
12 |
18 |
28 |
46 |
75 |
106 |
190 |
PN6.4MPa 主要連接尺寸及重量:
|
公稱通徑DN |
15 |
20 |
25 |
32 |
40 |
50 |
65 |
80 |
100 |
125 |
150 |
200 |
|
L |
165 |
190 |
216 |
229 |
241 |
292 |
330 |
356 |
432 |
508 |
559 |
660 |
|
H |
59 |
63 |
75 |
97 |
107 |
142 |
152 |
178 |
252 |
272 |
305 |
398 |
|
W |
130 |
130 |
160 |
230 |
230 |
400 |
400 |
700 |
1100 |
1100 |
1500 |
1800 |
|
Wt(Kg) |
6.5 |
7 |
8 |
12 |
14 |
18 |
28 |
40 |
65 |
98 |
140 |
250 |
PN10MPa 主要連接尺寸及重量:
|
公稱通徑DN |
15 |
20 |
25 |
32 |
40 |
50 |
65 |
80 |
100 |
125 |
150 |
200 |
|
L |
165 |
190 |
216 |
229 |
241 |
292 |
330 |
356 |
432 |
508 |
559 |
660 |
|
H |
59 |
63 |
75 |
97 |
107 |
142 |
152 |
178 |
252 |
272 |
305 |
398 |
|
W |
130 |
130 |
160 |
230 |
230 |
400 |
400 |
700 |
1100 |
1100 |
1500 |
1800 |
|
Wt(Kg) |
6.5 |
7 |
10 |
15 |
18 |
25 |
32 |
46 |
75 |
|
|
【浮動式軟密封球閥操作和使用】
1)操作前須確認管路和閥已被沖洗過。
2)閥的操作按執行機構輸入信號大小帶動閥桿旋轉完成:正向旋轉1/4圈(90°)時,閥關斷。反向旋轉1/4圈(90°)時,閥開啟。
3)當執行機構方向指示箭頭與管線平行時,閥門為開啟狀態;指示箭頭與管線垂直時,閥門為關閉狀態。
4) 安裝在保溫管道上的各類手動球閥,手柄均不得向下。
5) 安裝位置、高度、進出口方向必須符合設計要求,連接應牢固緊密。
訂貨須知:
一、①浮動式軟密封球閥產品名稱與型號②浮動式軟密封球閥口徑③浮動式軟密封球閥是否帶附件以便我們的為您正確選型。
二、若已經由設計單位選定正鋼閥門浮動式軟密封球閥型號,請按浮動式軟密封球閥型號直接向我司銷售部訂購。
三、當使用的場合非常重要或環境比較復雜時,請您盡量提供設計圖紙和詳細參數,由我們的正鋼閥門專家為您審核把關。